YOU WILL FIND...
Modular belts, used in straight running conveyors, with 0.30" pitch.
Modular belts, used in straight running conveyors, with 1/2" pitch.
Modular belts, used in straight running conveyors, with 0.75" pitch.
Modular belts, used in straight running conveyors, with 1" pitch.
Modular belts, used in straight running conveyors, with 1.1" pitch.
Modular belts, used in straight running conveyors, with 1.2" pitch.
Modular belts, used in straight running conveyors, with 1.5" pitch.
Modular belts, used in straight running conveyors, with 1.75" pitch.
Modular belts, used in straight running conveyors, with 2.0" pitch.
Modular belts, used in straight running conveyors, with 2.2" pitch.
Modular belts, used in straight running conveyors, with 2.5" pitch.
Modular belts, used in straight or radius running conveyors, with 0.5" pitch.
Modular belts, used in straight or radius running conveyors, with 1" pitch.
Modular belts, used in straight or radius running conveyors, with 1.2" pitch.
Modular belts, used in straight or radius running conveyors, with 1.5" pitch.
Modular belts, used in straight or radius running conveyors, with 2.0" pitch.
VIEW ALL PRODUCTS
1-24 on 87 results for Wearstrips
Aluminium guide no. CV-444 for extrusion CV-445 and CV-448.
Aluminum Guide CV-449 for extrusion CV-381
White UHMW Extrusion, code CV-445 for aluminium guide CV-444
White UHMW Extrusion, code CV-448 for aluminium guide CV-444
Wearstrip in white UHMW supplied in lengths or coils *CV397 round top
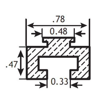
White UHMW wearstrip, code CV-430, C-shape, 1/4" x 1-1/2", with center divider
White UHMW wearstrip, code CV-431, C-shape, 1/4" x 1-1/2"
White UHMW Extrusion, code CV-380, "C" shape cover, for 1/2" x 1-1/2" flat bar
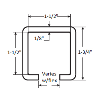
White UHMW Extrusion, code CV-381, "C" shape cover, for 1/4" x 2" flat bar used with aluminum guide bar CV-449.
White UHMW Extrusion, code CV-386, "C" shape cover, for 1/2" x 2" flat bar
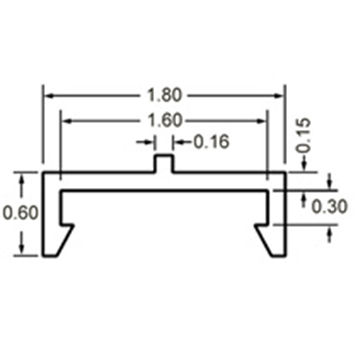
White UHMW Extrusion, code CV-388, "C" shape cover, for 1/4" x 1" flat bar
Cage Bar Profil CV-3232, square shape over 2" X 2", in white UHMW
Cage Bar Profil CV-373, square shape over 1-1/4" x 1-1/4", in white UHMW.
Cage Bar Profil CV-376, square shape over 1-1/2" X 1-1/2", in white UHMW
Cage Bar Profil CV-384, square shape over 1" x 1", in white UHMW
Cage Bar Profil CV-387, square shape over 1-1/2" x 2", in white UHMW.
Cage Bar trapezoid shape, Profil CV-389, square shape over 1/2" X 1", in white UHMW.
Cage Bar Profil square shape in white UHMW in white UHMW *CV389 Trapezoidale *CV430 Center divider
Wearstrip CV-298-PL, 3/16" Clip-on, in Grey Oil Filled UHMW
Wearstrip CV-299-PL, 3/32" Round top, in Grey Oil Filled UHMW
Wearstrip CV-390, Clip-on flat 1/16" thick, in white UHMW
Wearstrip CV-391D, Clip-on flat 1/8" thick, in white UHMW
Wearstrip CV-392, Clip-on flat 1/4" thick, in white UHMW
Wearstrip CV-392-PL, 1/4" Clip-on, in Grey Oil Filled UHMW